 |
Butterfly valve
Butterfly valve is comprehensive used with manual and pneumatic operation. Which used for food, beverage, brewage, dairy, pharmacy and chemical industry area.
Performance and merit
1. Slippy way, special seal, cleaning completely.
2. Body and plate are made from precise forging.
3. Safety operation
4. This butterfly valve is suitable to long distance, fixed pipe or forbidden zone. Take apart the flange bolt simply and disassembly valve easily and check he seal or replacing it.
5. Diversiform operation (manual and pneumatic) and adjustable operation as different points.
6. All butterfly valves can be installed sighted-position indicator and switch.
Technical parameters
Connection standard DIN 3A SMS ISO RJT IDF DS |
Way of connection welding end, threaded end, clamp end |
Size DN20 – DN150 1" – 6" 17.2 – 114.3 |
Working pressure 0 – 1.0 MPa |
Working temperature -10 ~ +120°C |
Flow medium parts 304 304L 316 316L |
Whout flow medium parts 304 |
Seal material EPDM NBR FPM |
Operation mode manual, pneumatic, electric |
|
|
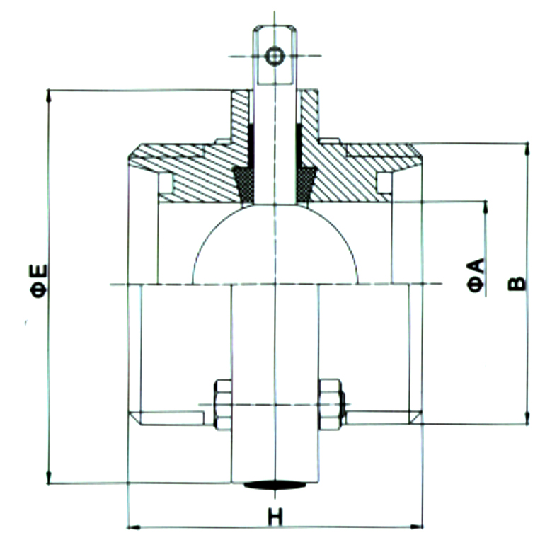
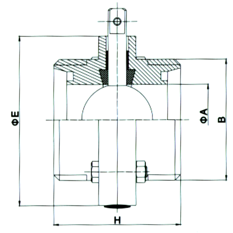
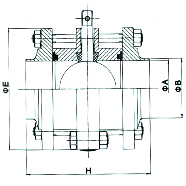
Weld/Weld Butterfly Valve |
|
KS-V1007
DN |
|
B |
|
H |
22.5 |
|
25 |
76 |
44 |
38 |
35.5 |
38 |
85 |
44 |
51 |
48.5 |
51 |
100 |
50 |
63.5 |
60.5 |
63.5 |
115 |
50 |
76 |
72.9 |
76.1 |
125 |
56 |
101.6 |
97.6 |
101.6 |
162 |
60 |
|
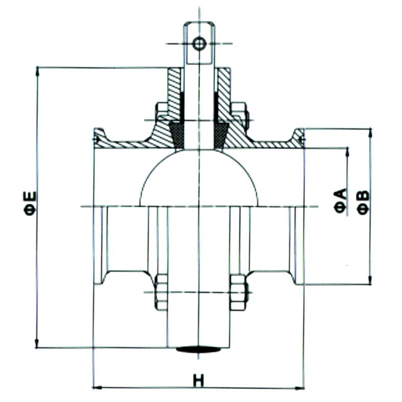
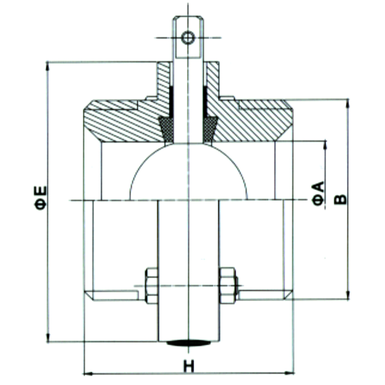
| Male/Male Butterfly Valve |

KS-V1008
DN |
|
B |
|
H |
22.5 |
|
Rd40*1/6" |
76 |
68 |
38 |
35.5 |
Rd60*1/6" |
85 |
72 |
51 |
48.5 |
Rd70*1/6" |
100 |
76 |
63.5 |
60.5 |
Rd85*1/6" |
115 |
80 |
76 |
72.9 |
Rd98*1/6" |
125 |
80 |
101.6 |
97.6 |
Rd125*1/6" |
162 |
80 |
|
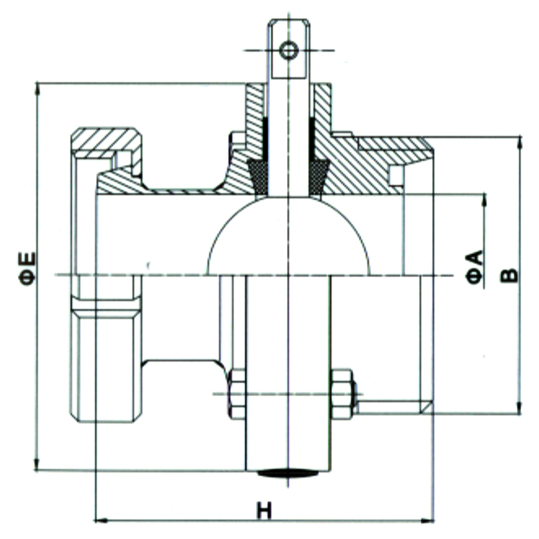
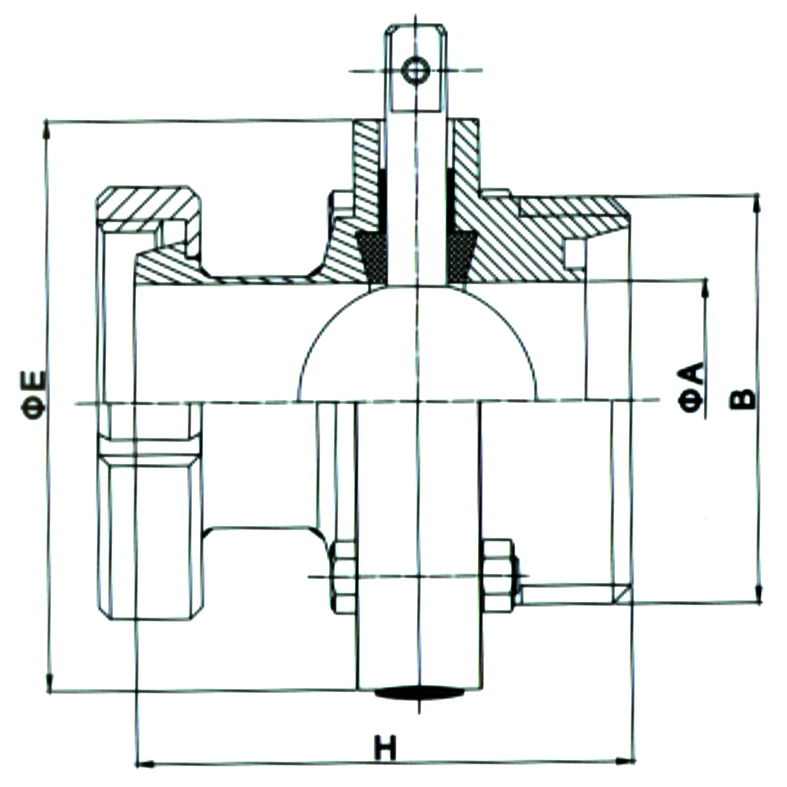
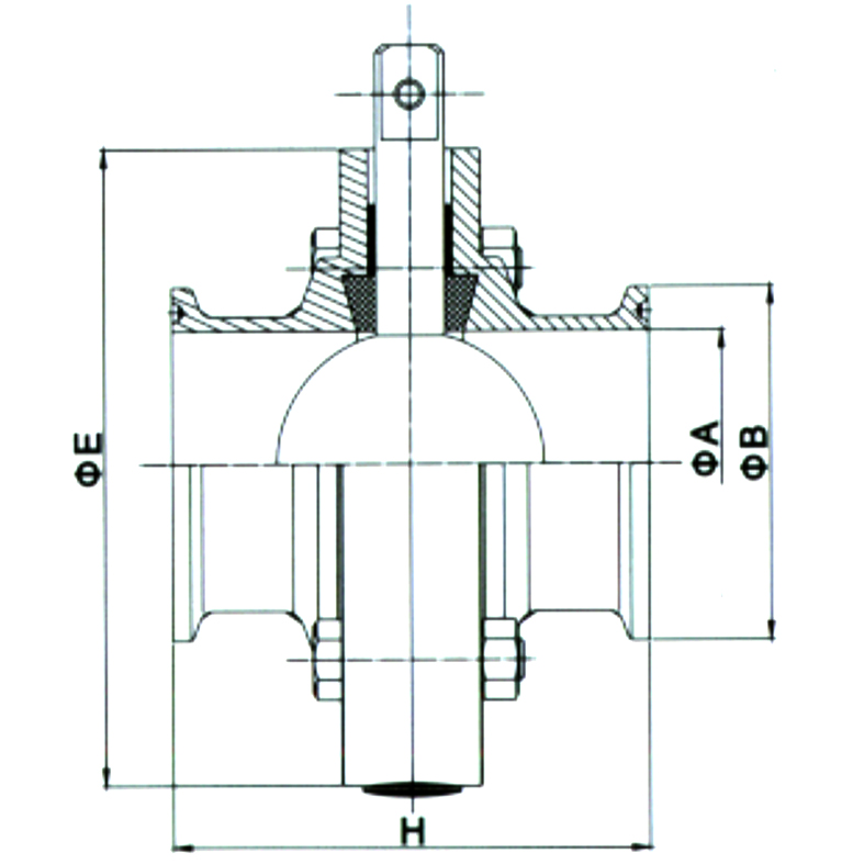
| Clamp/Clamp Butterfly Valve |

KS-V1009
DN |
|
B |
|
H |
22.5 |
|
50.5 |
76 |
68 |
38 |
35.5 |
50.5 |
85 |
72 |
51 |
48.5 |
64 |
100 |
76 |
63.5 |
60.5 |
77.5 |
115 |
80 |
76 |
72.9 |
91 |
125 |
76 |
101.6 |
97.6 |
119 |
162 |
98 |
|
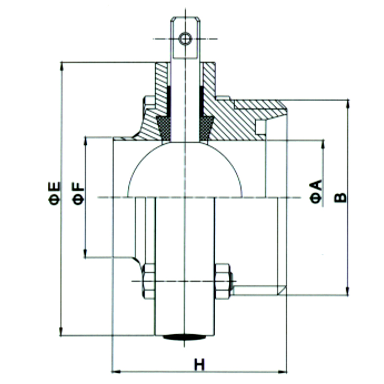
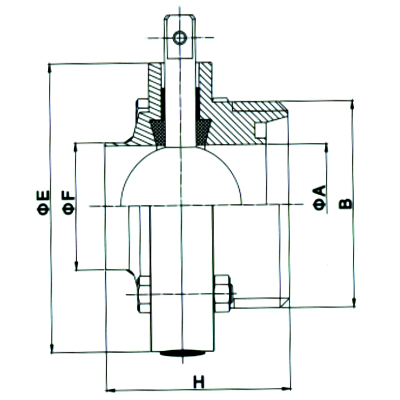
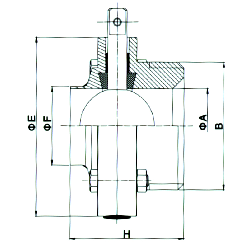
| Weld/Male Butterfly Valve |

KS-V1010
DN |
|
B |
|
F |
H |
22.5 |
|
Rd40*1/6" |
76 |
25 |
56 |
38 |
35.5 |
Rd60*1/6" |
85 |
38 |
58 |
51 |
48.5 |
Rd70*1/6" |
100 |
51 |
63 |
63.5 |
60.5 |
Rd85*1/6" |
115 |
63.5 |
65 |
76 |
72.9 |
Rd98*1/6" |
125 |
76.1 |
68 |
101.6 |
97.6 |
Rd125*1/6" |
162 |
101.6 |
79 |
|
| Liner/Male Butterfly Valve |

KS-V1011
DN |
|
B |
|
H |
22.5 |
|
Rd40*1/6" |
76 |
71 |
38 |
35.5 |
Rd60*1/6" |
85 |
78 |
51 |
48.5 |
Rd70*1/6" |
100 |
83 |
63.5 |
60.5 |
Rd85*1/6" |
115 |
89 |
76 |
72.9 |
Rd98*1/6" |
125 |
92 |
101.6 |
97.6 |
Rd125*1/6" |
162 |
109 |
|
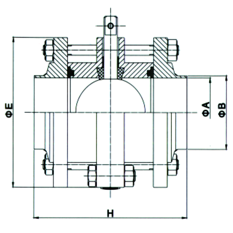
| Flange Butterfly Valve |

KS-V1012
DN |
|
B |
|
H |
22.5 |
|
25 |
76 |
100 |
38 |
35.5 |
38 |
85 |
100 |
51 |
48.5 |
51 |
100 |
105 |
63.5 |
60.5 |
63.5 |
115 |
112 |
76 |
72.9 |
76.1 |
125 |
112 |
101.6 |
97.6 |
101.6 |
162 |
130 |
|
| Weld/Weld Butterfly valve |

KS-V1001
Size |
|
B |
|
H |
DN20 |
|
23 |
76 |
44 |
DN25 |
26 |
29 |
79 |
44 |
DN32 |
32 |
35 |
85 |
44 |
DN40 |
38 |
41 |
92 |
48 |
DN50 |
50 |
53 |
108 |
48 |
DN65 |
66 |
70 |
127 |
48 |
DN80 |
81 |
85 |
142 |
60 |
DN100 |
100 |
104 |
162 |
60 |
DN125 |
125 |
129 |
191 |
70 |
DN150 |
150 |
154 |
240 |
80 |
|
| Weld/Male Butterfly valve |

KS-V1002
Size |
|
B |
|
H |
DN20 |
|
Rd44*1/6" |
76 |
68 |
DN25 |
26 |
Rd52*1/6" |
79 |
66 |
DN32 |
32 |
Rd58*1/6" |
85 |
66 |
DN40 |
38 |
Rd65*1/6" |
92 |
68 |
DN50 |
50 |
Rd78*1/6" |
108 |
70 |
DN65 |
66 |
Rd95*1/6" |
127 |
72 |
DN80 |
81 |
Rd110*1/6" |
142 |
94 |
DN100 |
100 |
Rd130*1/4" |
162 |
98 |
DN125 |
125 |
Rd160*1/4" |
191 |
106 |
DN150 |
150 |
Rd190*1/4" |
240 |
120 |
|
| Clamp/Clamp Butterfly valve |

KS-V1003
Size |
|
B |
|
H |
DN20 |
|
34.5 |
76 |
68 |
DN25 |
26 |
50.5 |
79 |
66 |
DN32 |
32 |
50.5 |
85 |
66 |
DN40 |
38 |
50.5 |
92 |
68 |
DN50 |
50 |
64 |
108 |
70 |
DN65 |
66 |
91 |
127 |
72 |
DN80 |
81 |
106 |
142 |
94 |
DN100 |
100 |
119 |
162 |
98 |
DN125 |
125 |
155 |
191 |
106 |
DN150 |
150 |
183 |
240 |
120 |
|
| Weld/Male Butterfly valve |

KS-V1004
Size |
|
B |
|
F |
H |
DN20 |
|
Rd44*1/6" |
76 |
23 |
56 |
DN25 |
26 |
Rd52*1/6" |
79 |
29 |
54 |
DN32 |
32 |
Rd58*1/6" |
85 |
35 |
54 |
DN40 |
38 |
Rd65*1/6" |
92 |
41 |
56 |
DN50 |
50 |
Rd78*1/6" |
108 |
53 |
58 |
DN65 |
66 |
Rd95*1/6" |
127 |
70 |
60 |
DN80 |
81 |
Rd110*1/6" |
142 |
85 |
77 |
DN100 |
100 |
Rd130*1/4" |
162 |
104 |
81 |
DN125 |
125 |
Rd160*1/4" |
191 |
129 |
89 |
DN150 |
150 |
Rd190*1/4" |
240 |
154 |
103 |
|
| Liner/Male Butterfly valve |

KS-V1005
Size |
|
B |
|
H |
DN20 |
|
Rd44*1/6" |
76 |
74 |
DN25 |
26 |
Rd52*1/6" |
79 |
76 |
DN32 |
32 |
Rd58*1/6" |
85 |
79 |
DN40 |
38 |
Rd65*1/6" |
92 |
82 |
DN50 |
50 |
Rd78*1/6" |
108 |
86 |
DN65 |
66 |
Rd95*1/6" |
127 |
92 |
DN80 |
81 |
Rd110*1/6" |
142 |
114 |
DN100 |
100 |
Rd130*1/4" |
162 |
125 |
DN125 |
125 |
Rd160*1/4" |
191 |
123 |
DN150 |
150 |
Rd190*1/4" |
240 |
140 |
|
| Flange Butterfly valve |

KS-V1006
Size |
|
B |
|
H |
DN20 |
|
23 |
76 |
100 |
DN25 |
26 |
29 |
79 |
100 |
DN32 |
32 |
35 |
85 |
100 |
DN40 |
38 |
41 |
92 |
100 |
DN50 |
50 |
53 |
108 |
110 |
DN65 |
66 |
70 |
127 |
114 |
DN80 |
81 |
85 |
142 |
130 |
DN100 |
100 |
104 |
162 |
135 |
DN125 |
125 |
129 |
191 |
160 |
DN150 |
150 |
154 |
240 |
180 |
|
| Weld/Weld Butterfly valve |

KS-V1013
DN |
|
B |
|
H |
1.0" |
|
25.4 |
76 |
44 |
1.5" |
34.8 |
38.1 |
85 |
44 |
2.0" |
47.5 |
50.8 |
100 |
50 |
2.5" |
60.2 |
63.5 |
115 |
50 |
3.0" |
72.2 |
76.2 |
125 |
56 |
4.0" |
97.6 |
101.6 |
162 |
60 |
|
| Male/Male Butterfly valve |

KS-V1014
DN |
|
B |
|
H |
1.0" |
|
37.13 ACME 8TPI |
76 |
68 |
1.5" |
34.8 |
50.65 ACME 8TPI |
85 |
76 |
2.0" |
47.5 |
64.16 ACME 8TPI |
100 |
76 |
2.5" |
60.2 |
77.67 ACME 8TPI |
115 |
80 |
3.0" |
72.2 |
91.19 ACME 8TPI |
125 |
80 |
4.0" |
97.6 |
119.25 ACME 8TPI |
162 |
98 |
|
| Clamp/Clamp Butterfly valve |

KS-V1015
DN |
|
B |
|
H |
1.0" |
|
50.5 |
76 |
68 |
1.5" |
34.8 |
50.5 |
85 |
72 |
2.0" |
47.5 |
64 |
100 |
76 |
2.5" |
60.2 |
77.5 |
115 |
80 |
3.0" |
72.2 |
91 |
125 |
76 |
4.0" |
97.6 |
119 |
162 |
98 |
|
| Wild/Male Butterfly valve |

KS-V1016
DN |
|
B |
|
F |
H |
1.0" |
|
37.13 ACME 8TPI |
76 |
25 |
56 |
1.5" |
34.8 |
50.65 ACME 8TPI |
85 |
38 |
58 |
2.0" |
47.5 |
64.16 ACME 8TPI |
100 |
51 |
63 |
2.5" |
60.2 |
77.67 ACME 8TPI |
115 |
63.5 |
65 |
3.0" |
72.2 |
91.19 ACME 8TPI |
125 |
76.1 |
68 |
4.0" |
97.6 |
119.25 ACME 8TPI |
162 |
79 |
79 |
|
| Liner/Male Butterfly valve |

KS-V1017
DN |
|
B |
|
H |
1.0" |
|
37.13 ACME 8TPI |
76 |
74 |
1.5" |
34.8 |
50.65 ACME 8TPI |
85 |
76 |
2.0" |
47.5 |
64.16 ACME 8TPI |
100 |
82 |
2.5" |
60.2 |
77.67 ACME 8TPI |
115 |
87 |
3.0" |
72.2 |
91.19 ACME 8TPI |
125 |
91 |
4.0" |
97.6 |
119.25 ACME 8TPI |
162 |
105 |
|
| Flange Butterfly valve |

KS-V1018
DN |
|
B |
|
H |
1.0" |
|
25.4 |
76 |
100 |
1.5" |
34.8 |
38.1 |
85 |
100 |
2.0" |
47.5 |
50.8 |
100 |
105 |
2.5" |
60.2 |
63.5 |
115 |
112 |
3.0" |
72.2 |
76.2 |
125 |
112 |
4.0" |
97.6 |
101.6 |
162 |
130 |
|